Skip to main content

Edge crack boundary condition

Submitted by navid.nik on

Hi everyone

i'm working on modeling crack in plates and i'm a little confused about correct boundary condition of a single edge crack in a plate under tension! could you please tell me which corner should fixed and which one should defined as a roller???

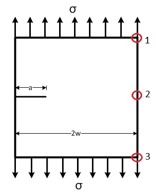
i also attached a figure.

i tried 2 kind of BC for my problem:

1- node 1: roller (Ux=0) and node 3: fixed (Ux=Uy=0)

2- i only fixed node 2 (Ux=Uy=0)

and the stress intensity factor calculated by these BCs almost the same!!!

now the quastion is which BC is better for this kind of problem???

 

 

Attachment Size
Edge - Copy - Copy.jpg 16.5 KB